JMZ系列精密計量泵
以下為系列產品選型范圍,具體型號參考性能參數表
流量范圍: 0-560(L/h)
壓力范圍: 0-0.5(Mpa)
驅動系統: 兩相、三相標準電極或防爆電機
泵頭材質:SUS304, SUS316, PVC, PTFE
常規產品全部現貨供應,縮短了交貨期。
應用領域:廣泛應用于石油化學工業、醫藥、飲食、火電廠、核電、環境保護、礦山、國防等科研和生產部門。
產品介紹
產品介紹
流量范圍: 0-560 L/H
壓力范圍: 0-0.5MPa
電機功率: 550W,380V / 400V , 50/60Hz
驅動系統: 兩相、三相標準電機或防爆電機
防護等級: IP55
材料
泵頭: SUS304, SUS316, PVC, PTFE
隔膜: PTFE
流量控制: 手動控制,
工作條件
環境溫度: -30℃ --- 60℃
技術參數
|
型號
|
流量(l/h)
|
壓力(MPa)
|
沖次(min-1)
|
功率(kw)
|
進出口徑(DN)
|
重量(kw)
|
|
JMZ 180/0.5
|
180
|
0.5
|
48
|
0.55
|
DN25
|
25
|
|
JMZ 280/0.5
|
280
|
0.5
|
72
|
0.55
|
|
JMZ 360/0.4
|
360
|
0.4
|
96
|
0.55
|
|
JMZ 450/0.4
|
450
|
0.4
|
144
|
0.55
|
|
JMZ 560/0.3
|
560
|
0.3
|
144
|
0.55
|
特點
1. 操作安全,機械驅動隔膜。
2. 密封性好,無泄漏,裝配維修簡單安全。
3.它可以傳輸高粘度介質,腐蝕性液體和危險性的化學品。
4.流量調節能夠調節沖程長度或電機頻率。
5.隔膜為多層復合結構壓制而成,第一層超韌性Teflon耐酸薄膜,第二層EPDM彈性橡膠,第三層3.0mmSUS304支撐鐵芯,第四層采用強化尼龍纖維補,第五層采用EPDM彈性橡膠完全包履,可有效提出升隔膜適用壽命。
應用
計量泵廣泛應用于石油化工、化工、電力、冶金、采礦、造船、輕工、農業、國防等工業。
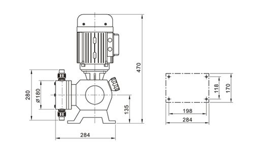
尺寸

因產品生產批次、型號不同,產品圖片及外形尺寸等僅供參考,詳情可聯系我們的銷售人員