JYZR系列液壓隔膜式計量泵
以下為系列產品選型范圍,具體型號參考性能參數表
流量范圍: 0-750(L/h)
壓力范圍: 0-28(Mpa)
驅動系統: 兩相、三相標準電極或防爆電機
泵頭材質:SUS304, SUS316,SUS304+PTFE,SUS316+PTFE
常規產品全部現貨供應,縮短了交貨期。
應用領域:廣泛應用于石油化學工業、醫藥、飲食、火電廠、核電、環境保護、礦山、國防等科研和生產部門。
產品介紹
產品介紹
流量范圍: 0-750L/H
壓力范圍: 0-28MPa
功率: 1.1KW, 1.5KW, 220V / 380V /400V,50Hz / 60Hz
驅動系統: 兩相、三相標準電機或防爆電機
流量控制: 手動控制或(接收 4-20mA 信號)
防護等級: IP55,IP54 |
材料
泵頭: SUS304, SUS316, 304+PTFE, 316+PTFE
隔膜: PTFE
單向閥: SUS304, SUS316
閥球: ZrO2, SUS304, SUS316, 陶瓷
工作條件
環境溫度: -30℃ --- 90℃
|
特點
1.無泄漏,維修方便,低噪音,使用方便。
2.計量精度優于機械隔膜泵,密封性能優于柱塞泵。
3.配沖程調節器可以實現遠程自動控制。
4. 隔膜為多層復合結構壓制而成,第一層超韌性Teflon耐酸薄膜,第二層EPDM彈性橡膠,第三層3.0mmSUS304支撐鐵芯,第四層采用強化尼龍纖維補,第五層采用EPDM彈性橡膠完全包履,可有效提出升隔膜使用壽命 |
技術參數
| 型號(MODEL) |
流 量FLOW (L/H) |
壓 力PRESSURE (MPa) |
柱塞直徑(mm) |
行程(mm) |
泵速 (min-1) |
電機功率Power (kw) |
進出口徑CALIBER (DN) |
重 量WEIGHT (kg) |
| JYZR28/22 |
28 |
22 |
16 |
30 |
96 |
1.5 |
10 |
100 |
| JYZR28/16 |
28 |
16 |
1.1 |
| JYZR45/14 |
45 |
14 |
20 |
1.5 |
| JYZR45/10 |
45 |
10 |
1.1 |
| JYZR110/9.0 |
110 |
9.0 |
25 |
144 |
1.5 |
| JYZR110/6.3 |
110 |
6.3 |
1.1 |
| JYZR125/5.6 |
125 |
6.5 |
32 |
96 |
1.5 |
15 |
155 |
| JYZR125/4.5 |
125 |
4.5 |
1.1 |
| JYZR160/4.5 |
160 |
4.5 |
36 |
1.5 |
| JYZR165/3.2 |
160 |
3.2 |
1.1 |
| JYZR200/3.6 |
200 |
3.6 |
40 |
1.5 |
| JYZR200/2.6 |
200 |
2.6 |
1.1 |
| JYZR250/2.8 |
250 |
2.8 |
45 |
1.5 |
20 |
162 |
| JYZR250/2.0 |
250 |
2.0 |
1.1 |
| JYZR320/2.3 |
320 |
2.3 |
50 |
1.5 |
| JYZR320/1.6 |
320 |
1.6 |
1.1 |
| JYZR380/1.8 |
380 |
1.8 |
55 |
1.5 |
| JYZR380/1.4 |
380 |
1.4 |
1.1 |
| JYZR460/1.6 |
460 |
1.6 |
60 |
1.5 |
| JYZR480/1.2 |
460 |
1.2 |
1.1 |
| JYZR500/1.4 |
500 |
1.4 |
63 |
96 |
1.5 |
| JYZR500/1.0 |
500 |
1.0 |
1.1 |
| JYZR700/1.4 |
750 |
1.4 |
144 |
1.5 |
| JYZR750/1.0 |
750 |
1.0 |
1.1 |
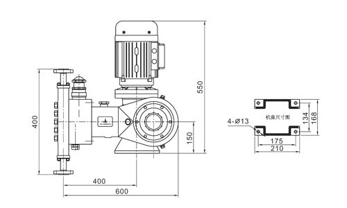
| 尺寸 |
 |
因產品生產批次、型號不同,產品圖片及外形尺寸等僅供參考,詳情可聯系我們的銷售人員