MS330/2.2SSC水循環系統增壓泵 |
||||||||||||||||
|
|
||||||||||||||||
![]()
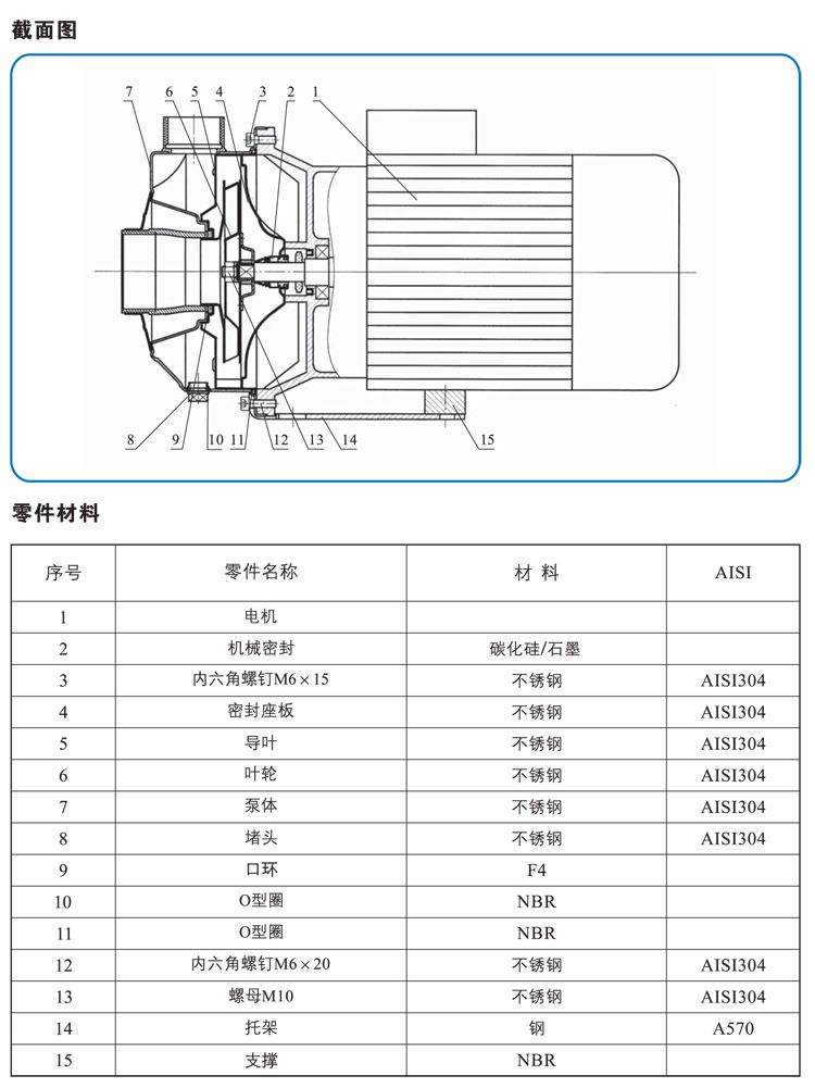
產品介紹 MS330/2.2SSC水循環系統增壓泵為單級葉輪離心泵,具有軸向吸水,徑向排水的特點,結構緊湊,水泵與電機直接連接,同軸安裝,連接方便,配有螺紋進,出水口,重量輕,主要零部件均采用薄板沖壓件結構,耐輕腐蝕,過流部件采用AISI304或AISI316不銹鋼材料。 應用范圍: .工,民用清水或其它液體的增壓,輸送 .水處理系統 .水循環系統 .農業灌溉 .其它領域 MS330/2.2SSC水循環系統增壓泵工作條件: 稀薄、干凈、非易燃易爆并不固體顆粒和纖維的液體 可輸送輕腐蝕性介質(與介質中氯離子含量,酸和堿的濃度,是否對橡膠和機械密封摩擦付材料生產腐蝕等情況有關) 所輸送介質的密度不能大于清水,粘度要接近于水。否則需配用大功率電機 液體溫度;-10°C至+85°C 環境溫度;最高+40°C 海拔;最高1000M 最大工作壓力;8巴. ![]() ![]() ![]() 因產品生產批次、型號不同,產品圖片及安裝尺寸僅供參考,詳情可聯系我們的銷售人員了解更多MS330/2.2SSC水循環系統增壓泵相關信息!
|
||||||||||||||||





















