TD80-28/2 立式循環供水管道泵 |
||||||||||||||||
|
|
||||||||||||||||
![]()
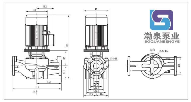
產品介紹 TD80-28/2 立式循環供水管道泵采用電機與泵可分離式結構,泵部分設計為可拉出形式。所有的該類產品都配有標準電機和機械密封。電機為全封閉、風冷式標準電機。其主要尺寸符合JB/T8680標準。 產品泵體相當于一段管路。在泵進行維修時,可以用盲法蘭將泵體封堵,從而不影響系統的正常運行。 產品的聯接法蘭尺寸符合GB/T17241.6或IS07005-2/DIN2501標準中PN16時的有關規定。 產品的進出口直徑符合有關標準尺寸。 產品的泵頭是聯接電機和泵的裝置。其與泵體之間的密封件采用“〇”形圈。 TD80-28/2 立式循環供水管道泵配有標準電機和機械密封。此類管道泵產品的結構與相近類型產品相比,更不易受到泵送液體中雜質的影響。 產品設計為頂部可拉出的拆裝形式,其可以在不影響管路系統的情況下對泵進行維護。 應用 產品適宜在清潔、稀薄、非侵蝕、非易爆易燃,且不含有任何可能對泵造成機械或化學損害的固體顆粒和纖維的液體中使用。具體對液體要求及應用如下;而在液體粘稠或密度較大情況下使用時會造成泵特性曲線的下降和能耗的增加。 液體溫度:-15℃~110℃ 系統最高壓力:常規型為PN12巴;特殊型為PN16巴。 TD80-28/2 立式循環供水管道泵產品在用于輸送水時,其可以用于生活用水、工業用水、冷卻系統用水和區域供熱系統的冷、熱用水。TD離心泵產品可以在以下位置使用: ·主循環泵 ·混合環路中的泵 ·鍋爐混流泵 ·燃氣冷凍機泵 ·部分流量過濾器泵 ·定壓系統用泵 ·生活熱水循環 ![]() ![]() 因產品生產批次、型號不同,產品圖片及安裝尺寸僅供參考,詳情可聯系我們的銷售人員了解更多TD80-28/2 立式循環供水管道泵相關信息!
|
||||||||||||||||





















